全国空降24小时服务微信_同城微信群二维码 _全国空投可约_同城微信群二维码

您的位置: 主页   产品中心   干燥系列  YZG/FZG系列真空干燥机
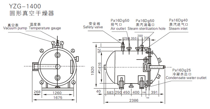
YZG/FZG系列真空干燥机
YZG/FZG系列真空干燥机

YZG/FZG系列真空干燥机

所谓真空干燥,就是将被干燥物料处在真空条件下,进行加热干燥,并利用真空泵进行抽气抽湿,加快了干燥速率。
产品详情

原理:
所谓真空干燥,就是将被干燥物料处在真空条件下,进行加热干燥,并利用真空泵进行抽气抽湿,加快了干燥速率。

流程图:








应用范围:
适用于在高温下易分解,聚合和变质的热敏性物料的低温干燥;被广泛地采用在制药、化工、食品、电子等行业。

产品特点:
1、真空下物料溶液的沸点降低,使蒸发器的传热推动力增大,因此对一定的传热量可以节省蒸发器的传热面积。
2、蒸发操作的热源可采用低压蒸汽或废热蒸汽。
3、蒸发器热损失少。
4、在干燥前可进行消毒处理,干燥过程中无任何不纯物混入,符合GMP要求。
5、属于静态真空干燥器,故干燥物料的形体不会损坏。

技术参数:

规格名称

YZG-00

YZG-00

YZG-1000

YZG-1400A

FZG-10

FZG-15

FZG-20

干燥箱内尺寸(mm)

ø600×976

ø800×1247

ø1000×1527

ø1400×2054

1500×1060×
1220

1500×1400×
1220

1500×1800×
1220

干燥箱外尺寸(mm)

1135×810
×1020

1700×1045
×1335

1693×1190
×1500

2380×1675
×1920

1924×1720×
1513

1513×1924×
2060

1924×2500×
1513

烘架层数

4

4

6

8

5

8

12

层间距离(mm)

81

82

102

102

122

122

122

烘盘尺寸(mm)

310×600×45

520×410×45

520×410×45

460×640×45

460×640×45

460×640×45

460×640×45

烘盘数

4

8

12

32

20

32

48

烘架管内允压(MPa)

≤0.784

≤0.784

≤0.784

≤0.784

≤0.784

≤0.784

≤0.784

箱内温度(℃)

35-150

35-150

35-150

35-150

35-150

35-150

35-150

箱内空载真空度(MPa)

-0.1

-0.1

-0.1

-0.1

-0.1

-0.1

0.1

在-0.1℃MPa,加热温度110℃时,
水的汽化率kg/平方米

7.2

7.2

7.2

7.2

7.2

7.2

7.2

用冷凝器时,真空泵型号、
功率(KW)

2X-15 2KW

2X-30A 3KW

2X-30A 3KW

2X-70A
5.5KW

2X-70A
5.5KW

2X-70A
5.5KW

2X-90A
2KW

不用冷凝器时,真空泵型号、
功率(KW)

SZ-0.5
1.5KW

SZ-1
2.2KW

SZ-1
2.2KW

SZ-1
2.2W

SZ-2
4W

SZ-2
4W

SZ-2
5.5W

干燥箱重量(Kg)

250

600

800

1400

1400

2100

3200

关联产品
立即咨询
姓名*
电话*
邮箱
留言内容*
验证码*
  
其他产品
热门产品
主站蜘蛛池模板: 莱芜市| 乐都县| 宣武区| 宜川县| 江永县| 大兴区| 建湖县| 汾西县| 阆中市| 镇平县| 扎赉特旗| 巧家县| 普兰店市| 宾阳县| 定襄县| 华池县| 铁岭市| 亳州市| 获嘉县| 梓潼县| 许昌市| 汉川市| 永康市| 浦城县| 凤山市| 曲阳县| 洛浦县| 澄江县| 宝坻区| 延津县| 武川县| 永昌县| 砀山县| 鱼台县| 洪雅县| 松溪县| 常熟市| 锡林浩特市| 宾川县| 开阳县| 黄浦区|